中国政府网
|
重庆市人民政府网
|
忠县人民政府网
|
部门街道
政务新媒体矩阵
无障碍
智能机器人
繁體版
网站支持IPv6
登录
|
注册
退出
部 门
发展和改革委员会
教育委员会
科学技术局
经济和信息化委员会
公安局
民政局
司法局
财政局
人力资源和社会保障局
规划和自然资源局
生态环境局
住房和城乡建设委员会
交通运输委员会
水利局
农业农村委员会
商务委员会
文化和旅游发展委员会
卫生健康委员会
退役军人事务局
应急管理局
审计局
市场监督管理局
统计局
医疗保障局
林业局
信访办公室
乡 镇
忠州街道办事处
白公街道办事处
新生街道办事处
乌杨街道办事处
任家镇人民政府
善广乡人民政府
洋渡镇人民政府
石子乡人民政府
东溪镇人民政府
复兴镇人民政府
磨子土家族乡人民政府
石宝镇人民政府
涂井乡人民政府
汝溪镇人民政府
野鹤镇人民政府
金声乡人民政府
官坝镇人民政府
石黄镇人民政府
兴峰乡人民政府
马灌镇人民政府
金鸡镇人民政府
新立镇人民政府
双桂镇人民政府
拔山镇人民政府
花桥镇人民政府
永丰镇人民政府
三汇镇人民政府
白石镇人民政府
黄金镇人民政府
忠县人民政府
搜索
您当前的位置:
部门
>
农业农村委员会
>
公告公示
您当前的位置:
农业农村委员会
>
公告公示
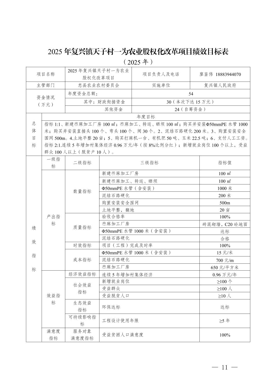
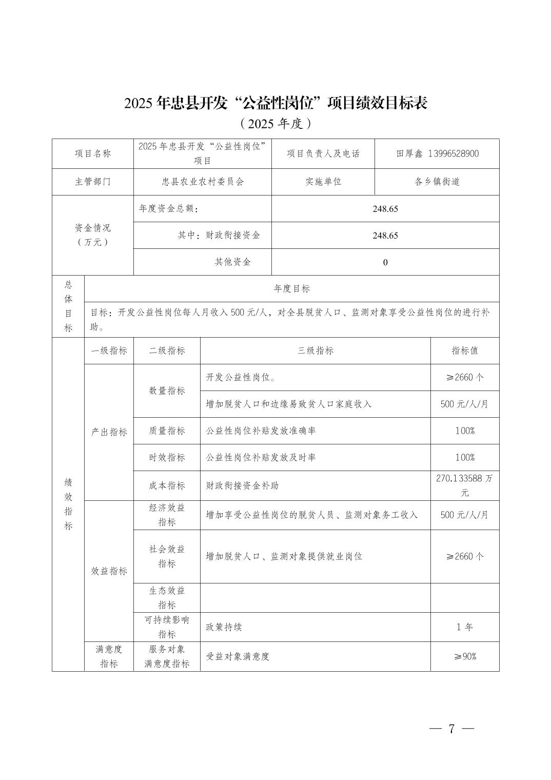
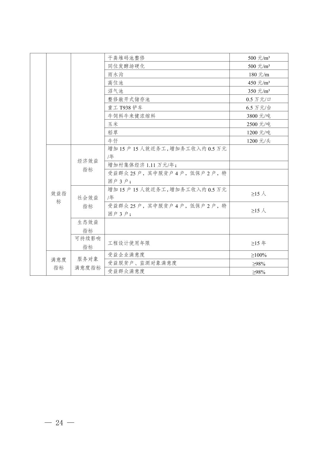
中共忠县县委农村工作暨实施乡村振兴战略领导小组办公室关于下达2025年第七批财政衔接资金项目实施方案的批复
日期:2025-11-19
字号:
大
中
小
分享:
扫一扫在手机打开当前页